
● 體積小,重量輕,結構簡單,安裝方便,維修少,費用低。
● 利用特制振動電機自同步原理,工作穩定,起動迅速,停車平衡。
● 物料按拋物線軌跡連續向前跳躍運動,因此給料槽磨損較小。
● 由于可以瞬時的改變和啟閉料流,所以給料量有較高的精度。
ZG系列電機振動給料機是一種漸趨標準化的通用給料設備,廣泛用于相關行業對各種塊狀及顆粒狀粉狀物料的短距離輸送。該機能很好地與皮帶機等連續輸送設備、自動稱配及定量包裝等系統實現聯機和自動化作業,是冶金、礦山、煤炭、建材、化工、電力及糧食加工等行業選用的較理想的給料和輸送設備。
ZG系列電機振動給料機與各種電磁振動給料機、往復給料機相比,具有結構簡單緊湊、堅固耐用及給料連續均勻、料槽磨損小、使用壽命長與維修方便等特點,該機根據現場作業環境要求有敞開型和封閉型兩種結構形式,電機可分別布置在上部、下部或側面,形成三種不同的振源安裝位置形式。
根據用戶和現場作業需要,該機可使用座式或吊掛式安裝及決定是否配置調控閘門、作業平臺等接口設施。
外形尺寸(封閉型)
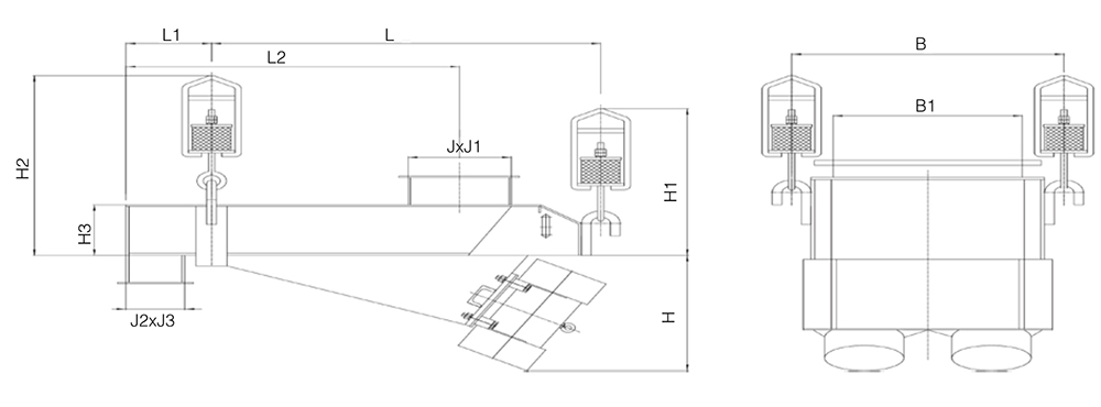
外形尺寸(敞開型)
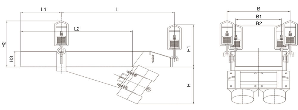
外形尺寸(封閉型)
| 型號 | L(mm) | L1(mm) | L2(mm) | B(mm) | B1(mm) | H(mm) | H1(mm) | H2(mm) | H3(mm) | J×J1(mm) | J2×J3(mm) |
| ZGF-25 | 780 | 260 | 720 | 466 | 340 | 386 | 450 | 300 | 200 | 200×340 | 200×340 |
| ZGF-50 | 1183 | 205 | 1000 | 700 | 500 | 470 | 610 | 400 | 220 | 220×500 | 220×500 |
| ZGF-100 | 1160 | 260 | 1000 | 920 | 700 | 590 | 800 | 530 | 256 | 250×700 | 250×700 |
| ZGF-150 | 1350 | 350 | 1200 | 970 | 750 | 600 | 800 | 530 | 250 | 250×750 | 250×750 |
| ZGF-200 | 1350 | 350 | 1200 | 1020 | 800 | 670 | 800 | 470 | 258 | 250×800 | 250×800 |
| ZGF-250 | 1465 | 392 | 1400 | 1152 | 920 | 660 | 650 | 400 | 250 | 250×920 | 250×920 |
| ZGF-300 | 1486 | 422 | 1400 | 1018 | 900 | 660 | 1000 | 750 | 250 | 300×900 | 300×900 |
| ZGF-400 | 1553 | 400 | 1500 | 1072 | 950 | 680 | 1200 | 780 | 310 | 300×950 | 300×950 |
| ZGF-750 | 1900 | 400 | 1500 | 2030 | 1500 | 980 | 1400 | 900 | 400 | 400×1500 | 400×1500 |
外形尺寸(敞開型)
| 型號 | L(mm) | L1(mm) | L2(mm) | B(mm) | B1(mm) | B2(mm) | H(mm) | H1(mm) | H2(mm) | H3(mm) |
| ZG-25 | 935 | 200 | 820 | 466 | 340 | 338 | 386 | 340 | 440 | 150 |
| ZG-50 | 1000 | 220 | 1015 | 700 | 500 | 506 | 470 | 400 | 706 | 206 |
| ZG-100 | 1160 | 260 | 1150 | 920 | 700 | 706 | 590 | 480 | 480 | 250 |
| ZG-150 | 1350 | 350 | 1335 | 970 | 750 | 750 | 600 | 600 | 680 | 250 |
| ZG-200 | 1268 | 350 | 1335 | 832 | 800 | 784 | 670 | 700 | 700 | 250 |
| ZG-250 | 1465 | 392 | 1540 | 1152 | 920 | 1052 | 660 | 400 | 400 | 250 |
| ZG-300 | 1465 | 392 | 1540 | 1018 | 900 | 1052 | 660 | 400 | 400 | 250 |
| ZG-400 | 1553 | 400 | 1680 | 1072 | 950 | 934 | 680 | 1068 | 1068 | 300 |
| ZG-750 | 1900 | 750 | 2300 | 2030 | 1500 | 1500 | 980 | 1000 | 1000 | 400 |
| 型 號 | 大入料粒度(mm) | 處理量(t/h) | 振動電機型號 | 功率( kW ) | 振頻(Hz) | 雙振幅(mm) | 激振力(kN) | 重量(kg) | 單點動載荷 (N) | ||
| 封閉 | 敞開 | 封閉 | 敞開 | ||||||||
| ZG/F-25 | 80 | 25 | YZO-2.5-4 | 0.18×2 | 25 | 4~6 | 2.5×2 | 220 | 200 | 165 | 160 |
| ZG/F-50 | 120 | 50 | YZO-5-6 | 0.4×2 | 16 | 5~8 | 5×2 | 336 | 290 | 800 | 786 |
| ZG/F-100 | 170 | 100 | YZO-10-4 | 0.55×2 | 25 | 4~6 | 10×2 | 500 | 450 | 480 | 475 |
| ZG/F-150 | 180 | 150 | YZO-15-6 | 1.1×2 | 16 | 5~8 | 15×2 | 605 | 553 | 1440 | 1320 |
| ZG/F-200 | 200 | 200 | YZO-20-4 | 1.1×2 | 25 | 4~6 | 20×2 | 720 | 667 | 840 | 810 |
| ZG/F-250 | 210 | 250 | YZO-20-6 | 1.5×2 | 16 | 5~8 | 20×2 | 840 | 782 | 1200 | 1098 |
| ZG/F-300 | 220 | 300 | YZO-20-6 | 1.5×2 | 16 | 5~8 | 20×2 | 910 | 830 | 1186 | 1123 |
| ZG/F-400 | 230 | 400 | YZO-25-6 | 1.8×2 | 16 | 5~8 | 25×2 | 1030 | 980 | 1800 | 1720 |
| ZG/F-750 | 350 | 750 | YZO-40-6 | 3×2 | 16 | 5~8 | 40×2 | 1645 | 1560 | 2400 | 2285 |
我們不僅僅服務于500強企業 ……無論您在何地,我們都提供完善的服務與支持。
400電話